開発許可申請
更新日:2026年3月10日
開発許可申請手続き
開発許可申請に必要な書類


必要書類の書式
開発行為許可申請書(ワード:37KB)
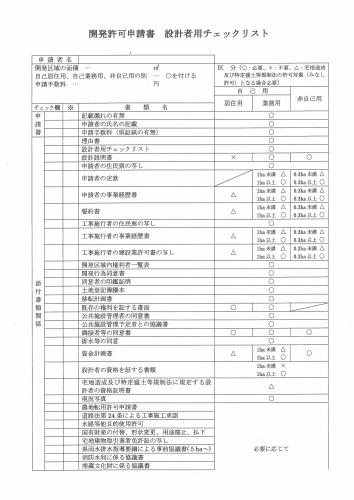
設計者用チェックリスト(ワード:118KB)
理由書(ワード:27KB)
設計説明書(ワード:101KB)
開発行為同意書(ワード:34KB)
公共施設管理者の同意(エクセル:49KB)申請書
公共施設管理予定者との協議書(ワード:25KB)
隣接者等の同意書(ワード:34KB)
資金計画書(ワード:66KB)
申請者の資産に関する調書(ワード:43KB)
申請者(工事施工者)の事業経歴書(ワード:42KB)
開発に係る道路法第24・32条、法定外施工・占用等事前相談シート(エクセル:22KB)
開発予定区域に関する打合せ簿(道路・水路)(ワード:36KB)
開発予定区域に関する打合せ簿(汚水)(エクセル:20KB)
お問合わせ
メールでの回答が必要な場合は、住所・氏名・電話番号を明記してください。
鶴岡市役所 都市計画課
〒997-8601 山形県鶴岡市馬場町9番25号
電話:0235-35-1315
FAX:0235-25-2059















